250_INA03285.JPG
ROD.6801 2RS (61801 2RS)

ROD.6801 2RS (61801 2RS)

49,00 € 24,50 € 50 %

Estoc: No disponible
Impostos: 21,00 %
Venda mínima: 1
Fabricant: EZO
Ean: 0079559870000
Referència: INA03285

- Esta tapa de obturación de caucho sintético (Buna N) reforzada con chapa de acero, es resistente al aceite y a la temperatura

- La forma de V tanto de la ranura como de la tapa como de los dos labios de la tapa, consigue además de una eficaz obturación una larga duración de funcionamiento

- El momento de rozamiento de esta obturación es algo mayor que en los rodamientos sin obturación.


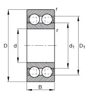
CARACTERÍSTICAS TÉCNICAS

Diámetro interior(d): 12 mm
Diámetro exterior(D): 21 mm
Ancho(B): 5 mm

Quantitat