ROD.6005 H 2RS INOX

127,61 € 63,80 € 50 %

Estoc: No disponible
Impostos: 21,00 %
Venda mínima: 1
Fabricant: INA
Ean: 0079580640000
Referència: NTN00315

- Esta tapa de obturación de caucho sintético (Buna N) reforzada con chapa de acero, es resistente al aceite y a la temperatura

- La forma de V tanto de la ranura como de la tapa como de los dos labios de la tapa, consigue además de una eficaz obturación una larga duración de funcionamiento

- El momento de rozamiento de esta obturación es algo mayor que en los rodamientos sin obturación.


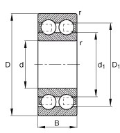
CARACTERÍSTICAS TÉCNICAS

diámetro interior (d): 25 mm
diámetro externo (D): 47 mm
espesor (B): 12 mm

Quantitat