El meu compte
Registrar
Entrar
Català
Español
Productes
Abrasivos
ABRASIVOS
Corte / Desbaste
Diámetro Ø115
Diámetro Ø125
Diámetro Ø178
Diámetro Ø230
Lijado / Pulido
Abanicos Lijadores
Bandas de Lija
Cardas o Cepillos
Discos de Lija
Discos de Mil Hojas
Hojas Tela Lija
Scotch Brite
Adhesivos
ADHESIVOS
3M ADHESIVOS
ADHESIVOS VARIOS
BOSTIK ADHESIVOS
CEYS ADHESIVOS
CINTAS AMERICANAS
LOCTITE DOSIFICADOR
LOCTITE INDUSTRIAL
NURAL/PATTEX ADHESIVOS
PISTOLAS APLICADORES SILICONA Y BICOMPONENTES
SILICONA EN CARTUCHO
TESA TAPE CINTAS ADHESIVAS / TESAMOLL PERFILES
Elevación y transporte
ELEVACIÓN Y TRANSPORTE
ACCESORIOS CABLE ELEVACION
ACCESORIOS CABLE ELEVACION -INOX-
AMENABAR POLIPASTOS
CABLE DE ACERO
CADENA PULIDA/ZINCADA
CARRETILLAS Y TRANSPALETAS
CUERDA
ELEVACION Y TRANSPORTE VARIOS
ESLINGAS POLIESTER
MATERIAL ELEVACION GENERAL
MATERIAL ELEVACION TRINCAJES, CANCAMOS CADENAS ALTA RESISTENCIA
OMEGA GATO/GRUAS/COMPLEMENTOS ELEVACION
SALA CARRETILLAS
TRACTEL SISTEMAS ELEVACION
Embalajes, cintas adhesivas, fleje, cintas metalicas,
EMBALAJES, CINTAS ADHESIVAS, FLEJE, CINTAS METALICAS,
CINTAS ADHESIVAS DELIMITACION AREAS, MARCAJE SUELOS
CINTAS ADHESIVAS METALICAS
CINTAS ADHESIVAS PARA REPARACIONES
CINTAS ADHESIVAS VARIAS
EMBALAJES, FILM ESTIRABLE, PLASTICO BURBUJA, PAPEL KRAFT
FLEJE EMBALAR Y COMPLEMENTOS
MAQUINAS PARA FLEJAR
Ferretería y cerrajería
FERRETERÍA Y CERRAJERÍA
ABUS CANDADOS, CIERRES Y SISTEMAS DE SEGURIDAD
ABUS CILINDROS, BOMBILLOS Y CERRADURAS
ACCESORIOS BRICOLAJE
AGA CERRADURAS Y SISTEMAS DE CIERRE
BISAGRAS ACERO, LATON, INOX, PIANO...
CADENAS DE BOLAS METALICAS Y PLASTICAS
CANDADOS LATON LINCE
CERRADURAS SERVICIOS PUBLICOS (GAS,LUZ,AGUA)
CERRADURAS, BOMBINES, ESCUDOS Y MANILLAS
CIERRES DE PALANCA PARA CAJAS
CISA CERRADURAS ANTIPANICO
CONTERAS Y PROTECCIONES PLASTICO PARA TUBOS
FERRETERIA VARIOS
FUNDAS PARA MOVIL
GEZE CIERRAPUERTAS Y SISTEMAS PARA PUERTAS AUTOMATICAS Y VEN
HEMBRILLAS SOLDADAS CON TUERCA
KEYA CERRADURAS Y SISTEMAS DE CIERRE
KLEIN GUIAS, ACCESORIOS Y SISTEMAS PUERTAS CORREDERAS
MASTER-LOCK BLOQUEOS DE ENERGI, CANDADOS, SISTEMAS SEGURIDAD
PERNIOS METALICOS
ROTULADORES PERMANENTES HI-TEXT
SISTEMAS DE RIEGO Y ACCESORIOS
SOPORTES, ESCUADRAS, ANGULOS PARA ESTANTERIAS Y BALDAS
SOUTHCO SISTEMAS DE CIERRE
TELESCO CIERRAPUERTAS
VELCRO
WEBER BARBACOAS
WEBER BARBACOAS
Fijaciones, abrazaderas y anclajes
FIJACIONES, ABRAZADERAS Y ANCLAJES
ABARCONES PARA TUBOS
ABRAZADERAS Y ANCLAJES VARIOS
ANCLAJES METALICOS RESINAS FIJACION
BRIDAS POLIAMIDA, ISOFONICAS, SEPARADORES, ETC...
FISCHER FIJACIONES
MIKALOR ABRAZADERAS
NORMA FIJACIONES
REMACHES ALUMINIO, ACERO e INOX
Herramientas de corte
HERRAMIENTAS DE CORTE
BROCAS MARCA
BROCAS MARCA
CANELA HERRAMIENTAS DE CORTE
CORONAS PERFORADRAS
CUCHILLAS COBALTO
DIAGER BROCAS
DISCOS TRONZAR HSS
EITAG BROCA/ESCARIADORES M.D
EITAG FRESA METAL DURO
ESCARIADORES
FERG 101
FERG EXCEPTO 101
GUHRING AVELLANADORES
GUHRING BROCAS
GUHRING ESCARIADORES
GUHRING ESPECIAL METAL DURO
GUHRING FRESAS
GUHRING MACHOS
HERRAMIENTA CORTE VARIOS
HI-CUT FRESAS
INNOTOOL HERRAMIENTAS DE CORTE
INTEGUI HERRAMIENTAS
IZAR/TIVOLY BROCAS EXCEPTO DIN-338
IZAR/TIVOLY BROCAS DIN-338
JORAN/IRWIN BROCAS DIN-338 AMARILLO
JORAN/IRWIN BROCAS HORMIGON VERDE
JORAN/IRWIN BROCAS MADERA
JORAN/IRWIN BROCAS SDS AZUL
JUEGOS - ESTUCHES DE BROCAS
KENDU FRESAS
KENDU FRESAS
LMT HERRAMIENTAS
MACHOS DE ROSCAR
NOGA SACARREBABAS
PFERD CORONAS PERFORADORAS
PFERD FRESAS CON MANGO
PFERD OFERTA FRESAS
PROTEC HERRAMIENTAS WIDIA
ROES HERRAMIENTAS DE CORTE
SANDVIK SIERRAS MAQUINA
SANDVIK SIERRAS MAQUINA
STARRET SIERRAS
STARRET VERSATIX - INTESS PRO SIERRA CINTA
TAE HERRAMIENTAS
TAE HERRAMIENTAS
TAX VDI
TAX VDI
TECO HERRAMIENTAS TORNO
TECO HERRAMIENTAS TORNO
TIVOLY BROCAS
TUNGALOY HTAS TORNO
VK MACHOS DE ROSCAR
WIDIAVALENITE
WIDIAVALENITE PLACAS
WIDIAVALENTINE SOPORTES
WIDIAVALENTINEHERRAMIENTAS SOLDADAS
WIKUS SIERRAS CINTA
Herramientas eléctricas y neumáticas
HERRAMIENTAS ELÉCTRICAS Y NEUMÁTICAS
AIXIA HERRAMIENTAS NEUMATICAS
ASEIN ESCOBILLAS AUTODESCONECTANTES
ASLAK, MAQUINARIA Y ACCESORIOS
BAHCO HERRAMIENTA NEUMATICA
DREMEL HERRAMIENTAS Y ACCESORIOS
Equilibradores con cable
FORMIS AFILADORAS LIJADORAS (Actualizando)
FORMIS AFILADORAS LIJADORAS (Actualizando)
GENERADORES GRUPOS ELECTROGENOS
GESIPA REMACHADORAS ELECTRICAS Y NEUMATICAS
HERRAMIENTAS ELECTRICAS VARIAS
HERRAMIENTAS ELECTRICAS/NEUMATICAS VARIAS
HIDROLIMPIADORAS ASPIRADORES
IBARMIA TALADROS DE COLUMNA Y SOBREMESA
MAKITA HERRAMIENTAS ELECTRICAS
METABO HERRAMIENTAS ELECTRICAS Y ACCESORIOS
METABO RECAMBIOS
MILWAUKEE HERRAMIENTAS ELECTRICAS Y BATERIA
MOTORES
PFERD HERRAMIENTAS ELECTRICAS
PFERD HERRAMIENTAS NEUMATICAS
PFERD MAQUINAS CON EJE FLEXIBLE
PISTOLAS TERMICAS Y ACCESORIOS
PROTECCIONES PARA MAQUINARIA
URYU HERRAMIENTAS NEUMATICAS
WORX HERRAMIENTAS ELECTRICAS
WORX HERRAMIENTAS ELECTRICAS
Herramientas manuales
HERRAMIENTAS MANUALES
ABECEDARIOS Y NUMERACIONES DE MARCAR
ABECEDARIOS Y NUMERACIONES PARA PINTAR
ABRECAJAS Y PALANCAS DESENCOFRADORAS
ALICATES/TENAZAS/PELACABLES KNIPEX /ORBIS
ALYCO HERRAMIENTAS MANUALES
AMPRO HERRAMIENTAS MANUALES
BAHCO/IRIMO/PALMERA HERRAMIENTAS MANUALES
BELLOTA HERRAMIENTAS MANUALES
CORNWELL HERRAMIENTAS MANUALES
CORNWELL HERRAMIENTAS MANUALES
CUTTERS CORTADORES Y TIJERAS OLFA
CUTTERS Y FLEXOMETROS TAJIMA
DICK LIMATONES (LIMAS DE AGUJA)
FELO DESTORNILLADORES/PUNTAS
FELO DESTORNILLADORES/PUNTAS
GIRAMACHOS
GIRAMACHOS CRICA EN T
GIRAMACHOS Y PORTACOJINETES
HERRAMIENT. VARIOS 00 (Actualizando)
HERRAMIENTAS MANUALES PALMERA (DUPLICADO)
HG HERRAMIENTAS MANUALES VARIAS
IRIMO FOLLETO DE PROMOCIONES (Actualizando)
LLAVES HEXAGONALES AMF (TIPO ALLEN)
LLAVES HEXAGONALES BONDHUS
MARTILLOS MAZAS NYLON/COBRE DUCH Y ROES
MARTOR CUTTER CORTADORES Y CUCHILLAS
MILWAUKEE HERRAMIENTAS MANUALES Y ACCESORIOS
NAVAJAS Y CUCHILLOS VARIOS
NWS HERRAMIENTAS MANUALES
PERFORADORES DE CHAPA EXTRACTORES FORZA
PFERD LIMAS DE TALLER
PFERD LIMATONES (LIMAS DE AGUJA)
RACODON HERRAMIENTAS MANUALES
RAHSOL HERRAMIENTAS MANUALES
RAHSOL HERRAMIENTAS MANUALES
RECAMBIOS Y ACCESORIOS REMACHADORAS GESIPA
REMACHADORAS GESIPA
REMACHADORAS MANUALES SPIRALUX
REMACHADORAS MANUALES SPIRALUX
REMACHADORAS MANUALES Y NEUMATICAS TUCKER (POP)
SACABOCADOS CILINDRICOS Y PUENTE FRUC
SARGENTOS PINZAS Y TIJERAS BESSEY
SNAP-ON HERRAMIENTAS MANUALES
STANLEY HERRAMIENTAS MANUALES
SUPER EGO TOOLS (ROTHENBERGER) HERRAMIENTAS INSTALADORES
TIJERAS 3 CLAVELES
TIJERAS Y CIZALLAS PARA CHAPA
TORNILLOS DE APRIETE (SARGENTOS) PIHER
U.S.A. HERRAMIENTAS MANUALES
UNIOR HERRAMIENTAS MANUALES Y PARA BICILETA
VARIOS 00 (Actualizando)
WERA WERK DESTORNILLADORES Y PUNTAS HERRAMIENTAS MANUALES
Higiene y limpieza
HIGIENE Y LIMPIEZA
ABSORVENTES
BOLSAS BASURA
CUBOS, CONTENEDORES Y CONTAINERS
FREGONAS, CUBOS, ESCOBAS Y RECOGEDORES
HIGIENE Y LIMPIEZA VARIOS
JABONES Y DISPENSADORES
PAPEL HIGIENICO, CELULOSA, SECAMANOS
TRAPOS LIMPIEZA
TRAPOS LIMPIEZA
Imanes y utillajes magnèticos
IMANES Y UTILLAJES MAGNÈTICOS
IMANES Y BASES MAGNETICAS FERRITA NEODIMIO, ETC.
NOGA BASES MAGNETICAS
Juntas, gomas y aislantes
JUNTAS, GOMAS Y AISLANTES
CORDON VERDE RUGOSO POLIURETANO
JUNTAS ESTANQUEIDAD SELLADO CARTON
JUNTAS GOMAS Y PLANCHAS VARIAS
JUNTAS TORICAS
PLANCHA DE GOMA
RETENES
RETENES VIBRACHOC (PAULSTRA)
Lubricantes y productos químicos
LUBRICANTES Y PRODUCTOS QUÍMICOS
BRUGAROLAS
CRC AEROSOLES PINTURA ACRILICA
CRC AEROSOLES PRODUCTOS QUIMICOS
CRC INDUSTRIAL
HG PRODUCTOS QUIMICOS
METAFLUX
OXI...NO ANTICORROSION
VARIOS
VARIOS
WD-40 MULTIUSOS
Mangueras y tubos
MANGUERAS Y TUBOS
ACCESORIOS MANGUERA ENTRONQUES METALGRUPSA
MANGUERAS Y TUBOS
MANGUERAS Y TUBOS VARIOS
TUBO GOMA
Material eléctrico e iluminación
MATERIAL ELÉCTRICO E ILUMINACIÓN
ACCESORIOS TELEFONIA MOVIL, CARGADORES Y CABLES
CABLE ELECTRICO, PASACABLES, BASES ENCHUFE
CTEK CARGADORES BATERIA
ELECTRICIDAD VARIOS
EXTENSIBLES ELECTRICOS, BASES MULTIENCHUFE
GIVI MAT.ELECTRICO
ILUMINACION
LAMPARAS TALLER
LINTERNAS Y PORTÁTILES ILUMINACION
PARAT LINTERNAS
PILAS, BATERIAS, ACUMULADORES Y MATERIAL ELECTRICO
STANLEY MATERIAL ELECTRIC
TAYG PRODUCTOS
TERMINALES Y CONECTORES ELECTRICOS
WALKIE TALKIES
ZECA
Materias primas
MATERIAS PRIMAS
ALAMBRE CUERDA PIANO
ALAMBRES Y PUNTAS
BRONCE
COBRE
HIERRO
NYLON EN BARRA CILINDRICA
PVC EN BARRA O TUBO
TEFLON EN ROLLO BARRA O PLANCHA
VARILLA ACERO PLATA
VARILLA CALIBRADA INOX
VARIOS
Medición
MEDICIÓN
ESCUADRAS, CARTABONES, FALSAS ESCUADRAS...
FLEXOMETROS/CINTAS METRICAS VARIOS
GALGAS, FLEJE CALIBRADO - VOGEL/HASBERG
GROZ PRODUCTOS
GROZ PRODUCTOS
INSTRUMENTACION, MEDICION Y CONTROL
LUPAS
METROLOGIA , CALIBRES, PIES DE REY, COMPARADORES, BASES MAG
METROLOGIA VARIOS
MITUTOYO METROLOGIA
SOLA MEDICION
STABILA - FLEXOMETROS, CINTAS METRICAS, NIVELES
STANLEY - VARIOS
Mobiliario, almacenaje y ordenación
MOBILIARIO, ALMACENAJE Y ORDENACIÓN
ALE - MOBILIARIO METAL
AMPRO - MOBILIARIO
DINZI - MOBILIARIO
ESCALERAS MADERA
GRAM - BASCULAS PESADORAS
HECO - MOBILIARIO Y ALMACENAJE
KETTAL - ESCALERAS
KIT ESTANTERIAS
MECALUX - ESTANTERIAS ALMACENAJE
MOBILIARIO VARIOS
MULTI-STORE - MOBILIARIO
PALFER - MOBILIARIO
PARAT - MALETAS Y BOLSAS PORTA HERRAMIENTAS
PLASTIPOL - MOBILIARIO PLASTICO Y ALMACENAJE
RAACO - MOBILIARIO
STANLEY - MOBILIARIO Y ALMACENAJE
TAUG ORDENACION Y ALMACENAJE
TECNOLAM/UNIKO - MOBILIARIO Y ALMACENAJE
ZARGES - ESCALERAS
ZARGES - MALETAS Y ARCONES
Moldes y matricería
MOLDES Y MATRICERÍA
CASQUILLO GUIA BROCA
CASQUILLOS MATRICERIA
EXPULSORES MATRICERIA
MOLDES Y MATRICERIA VARIOS
PUNZONES MATRICERIA
Muelles y mangos
MUELLES Y MANGOS
DARMAN MANGOS MADERA
MUELLES
MUELLES MATRICERIA
Neumatica SMC
NEUMATICA SMC
FESTO NEUMATICA
MANOMETROS Y VACUOMETROS
NEUMATICA L7SMC
NUEMATICA VARIOS
SMC ACTUADORES DE GIRO
SMC ACTUADORES ELECTRICOS
SMC ACTUADORES HIDRAULICOS
SMC ACTUADORES VARIOS
SMC CILINDRO SERIE C76
SMC CILINDRO SERIE C76
SMC CILINDRO SERIE C76
SMC CILINDRO SERIE C85
SMC CILINDRO SERIE C96
SMC CILINDRO SERIE CQ2
SMC CILINDRO SERIE CQS
SMC CILINDRO SERIE CXS
SMC CILINDRO SERIE MGP
SMC CILINDROS SIN VASTAGO
SMC CONECTORES
SMC DETECTORES MAGNÉTICOS
SMC ELECTROVALVULAS 3 VIAS
SMC ELECTROVALVULAS 5 VIAS
SMC ELECTROVALVULAS DE FLUIDOS
SMC ELECTROVALVULAS SERIE SY/SYJ
SMC ELECTROVALVULAS SERIE VQC
SMC EQUIPO DE PREPARACION DE AIRE
SMC EQUIPO TRATAMIENTO DE AIRE
SMC FIJACIONES Y ACCESORIOS
SMC PINZAS NEUMÁTICAS
SMC PRESOSTATOS, VACUOSTATO Y FLUJOSTATO
SMC PROYECTOS
SMC RACORDAJE METÁLICO
SMC RACORDAJE SERIE KQ2
SMC RACORDAJE VARIOS
SMC REGULADORES DE CAUDAL Y BLOQUEO
SMC REPARACION
SMC SILENCIADORES
SMC SISTEMAS DE VACIO
SMC TUBO ESPECIAL
SMC TUBO SERIE T/TU/TUH
SMC VÁLVULAS ACCIONAMIENTO NEUMÁTICO
SMC VALVULAS MECANICA/MANUAL
VARIOS SMC
Neumática/hidráulica, lubricación y técnica de fluidos.
NEUMÁTICA/HIDRÁULICA, LUBRICACIÓN Y TÉCNICA DE FLUIDOS.
ACCESORIOS POLIETILENO
ACCESORIOS PVC
ACCESORIOS TUBERIA ALUMINIO
ACCESORIOS TUBERIA COBRE
ACCESORIOS TUBERIA LATON
ACCESORIOS TUBO HIERRO/GALVA.
ACCESOROS TUBERIA INOX
AIXIA ACCESORIO NEUMATICO
BINSA ELEMENTOS ENGRASE
BLOVAC PISTOLA ASPIRACION
BOMBAS MANUALES EXTRACTORAS DE LIQUIDOS
COMPRESORES
CONTROL FLUIDOS PARKER/LUCIFER
DETECTORES
ELECTROBOMBAS
EMBUDOS PLASTICO
ENCHUFES RAPIDOS, CONECTORES PREVOST
ENROLLADORES DE TUBOS NEUMATICOS (ZECA-UNI)
GNB ACCESORIOS/VALVULERIA INOX Y LATON
HIDRAULICA
IMOPAC ENCHUFES RAPIDOS/VALVULAS
LUBRICACION VARIOS
MANOMETRIA E INSTRUMENTACION
NORDAIR ACESORIOS NEUMATICOS
NYCOIL PISTOLAS
PISTOLAS SOPLADORAS NEUMATICAS
RACORDAJE Y ACCESORIOS NEUMATICOS (BUGATTI)
SAMOA ACCESORIOS
SAMOA ENGRASADORES
SERIE INFINITY REDES AIRE COMPRIMIDO
VALVULAS ESFERA
VALVULAS PVC
VALVULAS VARIAS
OUTLET
OUTLET
ESCALERAS, ANDAMIOS Y TABURETES
ILUMINACION, BOMBILLAS, LED, LINTERNAS
MOBILIARIO Y ALMACENAMIENTO
OUTLET
OUTLET EPIS Y VESTUARIO
OUTLET MAQUINA ELECTROPORTATIL METABO
Pinturas, pinceles, barnices y recubrimientos
PINTURAS, PINCELES, BARNICES Y RECUBRIMIENTOS
PALETINAS Y PINCELES
PINTURAS VARIAS
PISTOLAS Y ACESORIOS PINTAR
TUBOS PINTURA PARA MARCAR INDELEBLES
Productes Destacats
Protecció i vestuari
PROTECCIÓ I VESTUARI
*** PROMO ESPECIAL OTOÑO 2025 ***
*** OUTLET / OFERTAS VESTUARIO ***
*** OUTLET / OFERTAS CALZADO ***
*** OUTLET / OFERTAS EPIS ***
CALZADO SANIDAD Y HOSTELERÍA
CALZADO SEGURIDAD (BASE)
CALZADO SEGURIDAD (HELLY HANSEN)
CALZADO SEGURIDAD (PANTER)
CALZADO SEGURIDAD (REEBOK) *** EN LIQUIDACIÓN ***
CALZADO SEGURIDAD (SPARCO)
CALZADO SEGURIDAD (U-POWER)
CALZADO SEGURIDAD (VARIOS)
PROTECCIÓN ANTICAÍDAS
PROTECCIÓN AUDITIVA
PROTECCIÓN CABEZA (CASCOS-GORRAS ANTIGOLPES)
PROTECCIÓN FACIAL (PANTALLAS-RECAMBIOS)
PROTECCIÓN MANOS (GUANTES)
PROTECCIÓN OCULAR
PROTECCION OCULAR CON GRADUACION
PROTECCIÓN RESPIRATORIA (MASCARILLAS)
PROTECCIÓN RESPIRATORIA (MÁSCARAS Y FILTROS)
PROTECCIÓN TÉRMICA - BUFF - ERGONOMÍA
SEÑALIZACIÓN
SEÑALIZACIÓN (BALIZAMIENTO, DELIMITACIÓN DE ÁREAS)
SEÑALIZACIÓN (ESPEJOS SEGURIDAD)
VARIOS (GORRAS-CINTURONES-ACCESORIOS )
VARIOS (LAVAOJOS Y DUCHAS DE EMERGENCIA)
VESTUARIO (HELLY HANSEN)
VESTUARIO (HEROCK)
VESTUARIO (SPARCO)
VESTUARIO ALTA VISIBILIDAD
VESTUARIO BÁSICO (CAMISETA-POLO-SUDADERA)
VESTUARIO BÁSICO (BATA-CAMISA-CAZADORA)
VESTUARIO BÁSICO (CHALECO-CAZADORA-PARKA-POLAR-SOFTSHELL)
VESTUARIO BÁSICO (PANTALÓN-BERMUDA-BUZO)
VESTUARIO DESHECHABLE
VESTUARIO SANITARIO-SERVICIOS
VESTUARIO TÉCNICO + ACCESORIOS (MULTINORMA-SOLDADOR-ANTICORTE...)
Rodamientos
RODAMIENTOS
AMES BARRAS HUECAS/MACIZAS BRONCE
AMES CASQUILLOS BRONCE SINTERIZADO
BOLAS DE ACERO/ACERO INOXIDABLE
BOLAS TRANSPORTADORAS
FAG POPULAR - RODAMIENTOS DE BOLAS
FAG RESTO RODAMIENTOS
FAG/RHP/SKF RODAMIEN
INA CASQUILLOS PERMAGLIDE
INA EJES
INA POPULAR RODAMIENOTS DE BOLAS
INA RODAMIENTOS BOLAS
INA RODAMIENTOS DE AGUJAS
INA RODAMIENTOS GUIADO LINEAL
INA RODAMIENTOS RODILLOS CILINDRICOS
INA RODILLO APOYO LEVAS
INA RODILLOS GUIA
INA ROTULAS
INA SISTEMA GUIADO LINEAL
INA SISTEMAS LINEALES
RODAMIENTOS ECONOMICOS
SAFAR MANGUITOS
SKF ROTULAS
SOPORTES ECONOMICOS
SOPORTES INA NO POPULAR
SOPORTES INA POPULAR
SOPORTES PARA RODAMIENTOS NTN
Ruedas
RUEDAS
AFO RUEDAS
ALEX RUEDAS
ARSA RUEDAS
GAYNER RUEDAS
STEINCO RUEDAS
TELLURE RUEDAS
Soldadura
SOLDADURA
ACCESORIOS SOLDADURA GALA-GAR
ELECTRODOS BASICOS
ELECTRODOS PARA ACERO INOXIDABLE
ELECTRODOS PARA FUNDICION
ELECTRODOS RUTILO
EQUIPOS AUTONOMOS DE SOLDADURA AUTOGENA
EQUIPOS SOLDADURA
HILO SOLDAR
SOLDADORES ESTAÑO (JBC )
SOLDADURA DE CONSUMO (GASES, ACCESORIOS, CONSUMIBLES...)
SOLDADURA VARIOS (ACTUALIZANDO)
Tornillería
TORNILLERÍA
ABC-SPAX TORNILLERIA PARA MADERA
ALCAYATAS Y HEMBRILLAS PARA MADERA
ANILLOS ELASTICOS DIN-471, 472, SB, SP y SW.
ARANDELAS AJUSTE DIN-988
ARANDELAS DE AJUSTE
ARANDELAS DIN-125 y DIN-9021
ARANDELAS RETENCION PARA RODAMIENTOS-MB
CASQUILLOS ENSAT- QUICKSERT ACERO y LATON
CHAVETAS DIN-6885-A de 10X8 A 12X8
CHAVETAS DIN-6885-A de 14X9/18X11
CHAVETAS DIN-6885-A de 3X3 A 8X7
CHAVETAS VARIAS (Actualizando)
DEGOMETAL/MASTERFIX (Actualizando)
ESPARRAGOS ALLEN DIN-913,914,915 y 916
ESPARRAGOS ALLEN DIN-916 MOLETEADOS
FIJACIONES VARIAS MIKALOR (anillos, pasadores...)
GESIPA REMACHES EN ALUIMINIO ACERO e INOX
HEICO-LOCK ARANDELAS DE SEGURIDAD
HELICOIL INSERTOS
OTRAS ARANDELAS (Actualizando)
PASADORES CILINDRICOS DIN-6325 y DIN-7979
PASADORES CONICOS STANDARD
PASADORES DE ALETAS DIN-94
POSICIONADORES NLM-302 de M-4 a M-16
REMACHES ALUMINIO MACIZOS
REMACHES ECONOMICOS: ALUMINIO, ACERO, INOX y OTROS
SINARD FIJACIONES VARIAS
TORNILLERIA AGLOMERADO (Actualizando)
TORNILLERIA ALLEN, DIN-912, DIN-7991, ISO-7380, DIN-7984
TORNILLERIA ALTA RESISTENCIA
TORNILLERIA DE LATON
TORNILLERIA EN ACERO INOXIDABLE AISI-304-A2
TORNILLERIA EN ACERO INOXIDABLE AISI-316-A4
TORNILLERIA EXAGONAL DIN-933 931 y 934
TORNILLERIA HOLO KROME
TORNILLERIA INOXIDABLE ESPECIAL
TORNILLERIA PARA MADERA (Actualizando)
TORNILLOS AUTOTALADRANTES (Actualizando)
TORNILLOS PARA METALES DIN-84, 87, 963, 965, 966 y 7985
TORNILLOS ROSCA CHAPA DIN-7971, 7972, 7973, 7981, 7982 y7983
TORNILLOS TOPE GUIA ISO-7379
TUERCAS CIEGAS DIN-1587
TUERCAS DIN-985 AUTOBLOCANTES
TUERCAS ESPECIALES (Actualizando)
TUERCAS RANURADAS PARA RODAMIENTOS-KM
TUERCAS REMACHABLES E INSERTOS VARIOS
UNBRAKO TORNILLERIA EN PULGADAS
UNBRAKO TORNILLERIA ROSCA METRICA
VARILLA ROSCADA DIN-975 (8.8, 10.9 y 12.9)
VARILLA ROSCADA DIN-975 2MT/3MT (Actualizando)
VARILLA ROSCADA DIN-975 5.6 PULIDA Y ZINCADO BL
Tornilleria inoxidable
Tornilleria Titanio
TORNILLERIA TITANIO
Tornilleria Titanio Grado 2 DIN-933
Transmisiones
TRANSMISIONES
ACOPLAMIENTOS ELASTICOS ALBERT
ACOPLAMIENTOS ELASTICOS JAKOB
ACOPLAMIENTOS ELASTICOS NIL-UNION
ACOPLAMIENTOS ELASTICOS SAMIFLEX
ACOPLAMIENTOS ELASTICOS VARIOS
CADENAS DE TRANSMISION JORESA
CADENAS DE TRANSMISION LINK-BELT
CADENAS DE TRANSMISION REXNORD
CASQUILLOS DE FIJACION
CASQUILLOS TAPER LOCK
CORREAS TRANSMISION BANDO
CORREAS TRANSMISION OPTIBELT
CORREAS TRAPECIALES Y TRAPEZOIDALES
CREMALLERAS DENTADAS
ENGRANAJES CILINDRICOS
PIÑONES CONICOS
PIÑONES/DISCOS
POLEAS DENTADAS
TRANSMISION VARIOS
Utillajes y accesorios de maquinaria
UTILLAJES Y ACCESORIOS DE MAQUINARIA
AMC SOPORTES
AMF GRAPAS FIJ RAPID
B.T.H. MANILLAS
CONOS RED/ESP PORTAB
DESTACO BRIDAS
EGAÑA AMORTIGUADORES
ELEMENTOS DE AMARRE
ELESA
LLAMBRICH PORTABROCAS
LLAMBRICH PUN TORNO
LOC-LINE
MAGO
MEXIN GRUPO A
MORDAZAS DE PRECISION MAQUINA
NORELEM ELEMENTOS
P.P.P. Y OTROS 0
PERTESA ROSCADORES
PIES NIVELADORES
PP RESTO CATALOGO (POMOS, MANECILLAS, VOLANTES) ETC.
PP STOCK CATALOGO (POMOS, MANECILLAS, VOLANTES) ETC.
PROTEC UTILES SUJECC
RESORTES DE GAS - AMORTIGUADORES
ROHM PORTABROCAS
ROHM UTILLAJES
T DE G PLATOS TORNO
UTILLAJES Y ACC.MAQ.VARIO
VIBRACHOC
Ventilación y calefacción
VENTILACIÓN Y CALEFACCIÓN
CALEFACCION INDUSTRIAL
ESTUFAS ELECTRICAS Y GAS
ESTUFAS INFRAROJOS
GALLO ESTUFAS Y COMPLEMENTOS
PURIFICADOES DE AIRE
VENTILADORES ELECTRICOS
VENTILADORES Y EXTRACTORES DE HUMOS SODECA
Sortida
Notícies
Contacte
Protecció i vestuari
*** PROMO ESPECIAL OTOÑO 2025 ***
*** OUTLET / OFERTAS VESTUARIO ***
*** OUTLET / OFERTAS CALZADO ***
*** OUTLET / OFERTAS EPIS ***
CALZADO SANIDAD Y HOSTELERÍA
CALZADO SEGURIDAD (BASE)
CALZADO SEGURIDAD (HELLY HANSEN)
CALZADO SEGURIDAD (PANTER)
CALZADO SEGURIDAD (REEBOK) *** EN LIQUIDACIÓN ***
CALZADO SEGURIDAD (SPARCO)
CALZADO SEGURIDAD (U-POWER)
CALZADO SEGURIDAD (VARIOS)
PROTECCIÓN ANTICAÍDAS
PROTECCIÓN AUDITIVA
PROTECCIÓN CABEZA (CASCOS-GORRAS ANTIGOLPES)
PROTECCIÓN FACIAL (PANTALLAS-RECAMBIOS)
PROTECCIÓN MANOS (GUANTES)
PROTECCIÓN OCULAR
PROTECCION OCULAR CON GRADUACION
PROTECCIÓN RESPIRATORIA (MASCARILLAS)
PROTECCIÓN RESPIRATORIA (MÁSCARAS Y FILTROS)
PROTECCIÓN TÉRMICA - BUFF - ERGONOMÍA
SEÑALIZACIÓN
SEÑALIZACIÓN (BALIZAMIENTO, DELIMITACIÓN DE ÁREAS)
SEÑALIZACIÓN (ESPEJOS SEGURIDAD)
VARIOS (GORRAS-CINTURONES-ACCESORIOS )
VARIOS (LAVAOJOS Y DUCHAS DE EMERGENCIA)
VESTUARIO (HELLY HANSEN)
VESTUARIO (HEROCK)
VESTUARIO (SPARCO)
VESTUARIO ALTA VISIBILIDAD
VESTUARIO BÁSICO (CAMISETA-POLO-SUDADERA)
VESTUARIO BÁSICO (BATA-CAMISA-CAZADORA)
VESTUARIO BÁSICO (CHALECO-CAZADORA-PARKA-POLAR-SOFTSHELL)
VESTUARIO BÁSICO (PANTALÓN-BERMUDA-BUZO)
VESTUARIO DESHECHABLE
VESTUARIO SANITARIO-SERVICIOS
VESTUARIO TÉCNICO + ACCESORIOS (MULTINORMA-SOLDADOR-ANTICORTE...)
Fabricants
Subtotal :
0,00 €
Impostos :
0,00 €
* Ports :
0,00 €
* El cost de transport pot variar depenent del volum de la tramesa, es calcularà abans de finalitzar el procés de compra.
Total :
0,00 €
Veure la cistella
Demanar Pressupost
Pagar
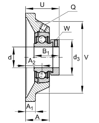
Rodamientos
SOPORTES INA POPULAR
PCJ 40 N // ROD.AUTOALINEABLE Y SOPORTE POPULAR
210,79 €
126,48 €
40 %
Estoc:
No disponible
Impostos:
21,00 %
Venda mínima:
1
Fabricant:
INA
Ean:
0096410090000
Referència:
INA00508
×
Descripció
Documents
Valoracions
Gràcies per la vostra valoració !!
Sense valoracions